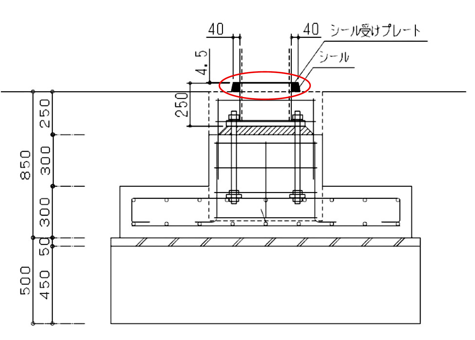
下図のような溶融亜鉛めっき柱 □-250×250×9の柱脚部において,ベース下端から250mmの位置に板厚4.5mmの止水板(シール受け)を全周溶接するように指示がありました。
冷間成形角形鋼管設計・施工マニュアルには,「ピースの溶接施工を角部に行うことは避けるべきである。」,「やむを得ずピースを取り付ける場合には,……柱はり接合部から1.5D(Dは冷間成形角形鋼管の辺長)以上離れた個所に施工し,……」との記述があります。
今回の場合,柱の辺長が250mmであるから1.5D=375mmとなり,角部には溶接できないことになりますが,止水の機能は満足する必要があります。どのように対処したらよいでしょうか。

(1) 角部の溶接の可否について
冷間成形角形鋼管設計・施工マニュアル (2018年版) 1) のp.173には,以下の記載があります。
本質問の場合は@の柱はり接合とは異なりますが,1.5Dをベースプレート下端からと考えると,図面の指定の位置では角部に溶接はできないことになります。
また,JASS 6 2) の「4.13 d. 組立て溶接」には,以下の規定があります。
JASS 6の方は,組立て溶接に関する規定ですが,本質問の溶接の脚長は4mm程度で組立て溶接と同程度の小入熱なので,この規定が適用されると考えられます。
したがって,上記の両方の規定に従うと,本質問における止水板の溶接は,角形鋼管の平板部にとどめなければなりません。ただ,本質問のような露出型柱脚の場合,計算ルートと柱の応力状態よっては必ずしも「1.5D以上離れた個所」の規定に従う必要はないと考えられます。
露出型柱脚の設計は,下図のように,構造計算ルート,アンカーボルトの伸び能力の有無および柱脚の保有耐力接合の判定により,多くの設計フローが存在します。柱脚を保有耐力接合として設計する場合は,柱の最下部に塑性ヒンジが発生するので,一般の柱梁接合部と同様に1.5D以内の部分への角部溶接は避けるべきです。
一方,保有耐力接合を満たさない場合は,アンカーボルトの塑性変形が先行し,柱脚の方に塑性ヒンジが発生します。また,設計条件によっては,柱の応力状態に余裕がある場合もあります。このように,柱が弾性にとどまるか,降伏しても塑性化の度合いが小さい場合,1.5D以内の部位でも,上記の冷間マニュアルの@とAの注意点を遵守すれば,角部溶接は許容されるという考え方も成り立ちます。
このような観点で,設計者に角部溶接の可否検討を依頼してはいかがでしょうか。
なお,冷間成形角形鋼管の角部へのピース取付けは不可ですが,通しダイアフラムは当然角部にも溶接しています。この理由については「4-29 冷間成形角形鋼管角部の溶接は」に以下のような回答があるので,参考にご覧ください。
(2) 角部溶接が不可の場合の対処方法
上記のような検討をしても,角部溶接が不可と判断された場合は,平板部で溶接するしかありません。
止水板としての機能を満たすためには,角部においても溶接と同等の水密性を確保する必要があります。本質問の止水板の役割は,柱を伝って降りてきた雨水が床のコンクリートと柱脚との隙間に入り込こむことを防ぐことです。雨水は,止水板で外側に排出され,止水板とコンクリートの間をシールすることで横からの侵入を防ぎます。もし鋼管角部と止水板との隙間から水が浸入すると,シールの内側に入るので,そのまま柱脚まで達することになります。
本質問の場合,止水板の出寸法が40mmであり,330mm角の正方形の板を角形鋼管の形状にくりぬいたものを鋼管に外嵌めして溶接することになりますが,柱材断面寸法のばらつきを考慮すると,2mm程度大きめにくりぬく必要があります。溶接をしない角部にはどうしても隙間が生じるので,隙間がどぶ漬けめっきに覆われたとしても,付着が不完全な場合,水密性に疑問が残ります。
このような場合,角部にシーリングを施して防水する対策が考えられます。しかし,目地に充填された二面接着のシールと異なり,いわゆる「三角シール」の状態で,二方向の接着面により拘束状態となるので,剥がれやすくなります。また,シール面が上向きで露出するので,紫外線等による材質劣化が早く進みます。
むしろ,めっき後の角部に亜鉛めっき補修用のジンクリッチ塗料を厚塗りするほうが良いかもしれません。もともと補修用として溶融亜鉛めっきと同等の防錆性能と耐久性能を有し,めっき面との密着性も優れているので,水密性も十分に期待できます。最近では厚盛りができるパテ状のめっき補修材 4) も販売されているので,監理者にこのような対策を提案してみてはいかがでしょうか。
<参考・引用文献>
1) 建築研究所監修:2018年版 冷間成形角形鋼管設計・施工マニュアル 日本建築センター
2) 日本建築学会:建築工事標準仕様書 JASS 6 鉄骨工事 2018
3) 国土技術政策総合研究所,建築研究所監修:2025年版 建築物の構造関係技術基準解説書
全国官報販売協同組合
4) 日新インダストリー (株):ジンクパテST 製品説明書
https://www.nissin-industry.jp/zincputty
Supporting Association for Building Steel Structural Technology All Rights Reserved.