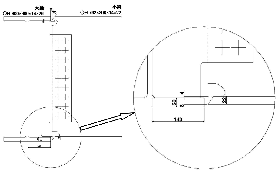
H-800×300×14×26の大梁にH-792×300×14×22の小梁が剛接合で取り付くのですが,もともとフランジが高力ボルト接合だったところが現場溶接接合に変更になり,下フランジが8mm食い違うという状態の継手になりました。
このような場合,「突合せ継手の食い違い仕口のずれの検査・補強マニュアル」に従って肉盛溶接による補強をすることになると思いますが,マニュアルには大梁と小梁の剛接合部に対する計算式が載っていません。どのように考えればよいのでしょうか。

(1) 突合せ継手の食い違いに関する規定
まず,突合せ継手の食い違いの値に関しては,平成12年建設省告示第1464号「鉄骨造の継手又は仕口の構造方法を定める件」の第2号によって,以下のように規定されています。
この場合において,溶接される鋼材の厚さが異なる場合の扱いは規定されていません。
一方,JASS 6 1) では,付則6「鉄骨精度検査基準」の付表3「溶接」の (11)「突合せ継手の食違いe」における限界許容差が以下のように規定されています。これは、告示第1464号の規定の数値と同じです。
t≦15mm のとき e≦1.5mm
t>15mm のとき e≦t /10 かつ e≦3mm
ここで t=min (t1, t2)
また,鉄骨精度測定指針2)では,「左右(上下)の板厚が異なる場合の食違い量は,厚いほうから薄いほうがはみ出した量とする。」と解説されています。
したがって,本質問の下フランジの食違いについてJASS 6の板厚が異なる場合の規定を適用すると,食違い量は4mm,許容食違い量はmin (22mm/10, 3mm)=2.2mmとなるのでJASS 6に適合せず,告示第1464号にも適合しないことになります。
なお,本告示の規定において,「ずれ」については「柱とはりの仕口のダイアフラムとフランジのずれ」と部位が限定されているのに対し,「食い違い」については部位の限定がないので、本質問のような小梁剛接合部にも適用されると解釈されます。
(2) 「食い違いマニュアル」の適用について
上記の告示第1464号では,継手の食い違いや仕口のずれが許容値を満たさない場合は,「適切な補強」が行われれば,その適用が除外できることになっています。ただ,その具体的な補強方法については告示では示されていないため,産官学各分野の委員から構成される「食い違いずれの検査・補強マニュアル作成委員会」により,平成15年7月に「突合せ継手の食い違い仕口のずれの検査・補強マニュアル」3) が発行されました。
本マニュアルは,「設計図書に本マニュアルが特記された場合,または設計図書に特記がなくても工事監理者等が本マニュアルの適用を承諾した場合に適用する。」とされています。また,運用方法は,本マニュアルに基づいて溶接部の食い違い・ずれの受入検査を行い,不合格となった溶接部について肉盛溶接または補強板による補強を適用することとなっています。
本マニュアルで想定する食い違い・ずれは,鋼材の寸法精度,接合部の加工・組立て精度および溶接による変形等に起因するもので,設計段階では食い違い・ずれはないものとしているはずです。これに対して,本質問例では,食い違いは設計段階から許容値を超過しているので,本来は設計者が食い違いの生じない納まりを設計図に示すべきものです。ただ,本マニュアルの適用を指示された場合にどう考えるべきかについて、以下にまとめます。
1) 本マニュアルにおける適用分類
本質問例の小梁剛接合の仕口は,マニュアルの図3.1 (1)〜(7)(略)に示されるいずれの部位にも該当しませんが,次に示す図3.13の梁軸方向継手に近いので,これを準用するものとします。ただし,これはブラケットと梁の継手であり,ブラケット長さがスパン長の1/20以上あることが前提条件となっています。したがって,小梁剛接合の場合は,小梁の応力状態を考慮して計算式の適用を検討する必要があります。
なお,この仕口は図3.16(略)の梁軸直交継手にも類似していますが,本マニュアルではSRC造の梁貫通形式の仕口構造が対象とされ,上下いずれかに柱が溶接されることが前提なので,これは適用できません。
2) 食い違い量(ekm)の計算方法
梁軸方向継手の規定を適用した場合,食い違いの測定は、図3.13に示す3箇所で行います。
判定に使用する食い違い量(ekm)は次式で計算します。
本質問例では,設計上の食い違いは4mmですが,ekmは測定結果によってはこれより大きくなる可能性があります。ここでは,以下の補強方法の計算には4mmを使用することとします。
3) 補強の適用方法
梁軸方向継手の規定を適用した場合,補強方法は図3.15によります。
本質問例の場合,S造で,t=22>15であり,
(t/10又は3)=2.2 < ekm=4 < (t/4かつ6)=5.5
であるから,「設計者が構造計算により安全確認をしない」とした場合,肉盛溶接による補強が必要となります。
4) 補強方法
肉盛溶接による補強は,図4.4.2のc) またはd) の方法を適用することになります。なお,本質問例では,ブラケットフランジが大梁フランジに,梁フランジが小梁フランジに対応し,質問の図と左右が逆になります。
c) とd) のどちらの補強方法が適用されるかは,以下の式で計算される補強肉盛高さaの符号が正か負かで決まります。
@ ブラケット長さがスパン長の1/10以上の場合
・フランジ表面の場合
・フランジ裏面の場合
A ブラケット長さがスパン長の1/20以上1/10未満の場合
・フランジ表面の場合
・フランジ裏面の場合
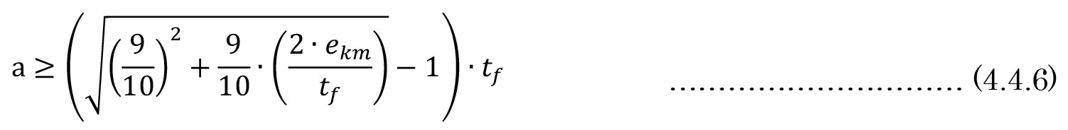
本マニュアルでは,梁の応力勾配を考慮して,ブラケット長さとスパン長の比に応じて継手部の存在応力を低減して2種類の計算式を設定しています。一方,本質問の小梁の場合は,ブラケットに相当する部分がないので,フランジ裏面の補強肉盛高さaは (4.4.2)式の係数 (4/5) や (4.4.7)式の係数 (9/10) を1とした次のような式になるべきと考えられます。
しかしながら,この例のような小梁の剛接合は,床のたわみを抑制するために採用されることが多く,その場合,応力には余裕があります。長期の曲げ応力度が許容応力度の4/5以下であれば、「@ブラケット長さがスパン長の1/10以上の場合」の式を適用しても問題ないと考えられます。
本質問例に関して (4.4.2)式で肉盛高さaを計算すると,次のようになります。
aが0以下となるので,補強肉盛溶接は図4.4.2の (c) の形状となり,溶接の長さL2は次のようになります。
L2=2.5・4mm+g=10mm+g=33mm
溶接部の詳細は図A1のようになります。
5) 補強肉盛溶接の施工上の注意点
「食い違いマニュアル」に基づく現場溶接における補強肉盛溶接の施工にあたっては,以下の点に注意する必要があります。
@ 溶接後の受入検査でUT完了後に,食い違い量を測定し,その結果によって肉盛溶接か補強板による補強か補修を行う必要があります。先に補強溶接を行うと,後からのUTが困難になるからです。
A 肉盛溶接の施工においてもエンドタブが必要ですが,本溶接後の端部形状に合うようにエンドタブの形状を工夫する必要があります。
B肉盛溶接の止端部にアンダーカットが生じやすいので,慎重に施工する必要があります。
C肉盛溶接後に「食い違いマニュアル」に基づいて,溶接の高さ,幅,長さを測定し,適切に補強されたかどうかを判定する必要があります。
Supporting Association for Building Steel Structural Technology All Rights Reserved.