柱梁接合部における通しダイアフラムの余長(出寸法)について,「冷間成形角形鋼管設計・施工マニュアル」においては,角形鋼管の厚さが28mm未満の場合は余長25mm,28mm以上の場合は余長30mmと記載があります。
設計図に記載のある場合はその寸法,設計図に記載のない場合は,質疑確認の上,指示通りの寸法で材料発注,加工しますが,コラム材の変形や組立て等において,余長が指示通りの寸法を確保できない場合があります。余長(出寸法)について,マイナス側の許容値はあるのでしょうか。

質問にあるマニュアルに「マイナス側の許容値」は決められていませんが,JASS 6本文や付則6その他を参照して,どの程度余裕があるのか次に示します。
1. JASS 6 5.8溶接 及び 付則6
余盛について
2. 冷間成形角形鋼管の設計・施工マニュアル(以下,マニュアルと称す)
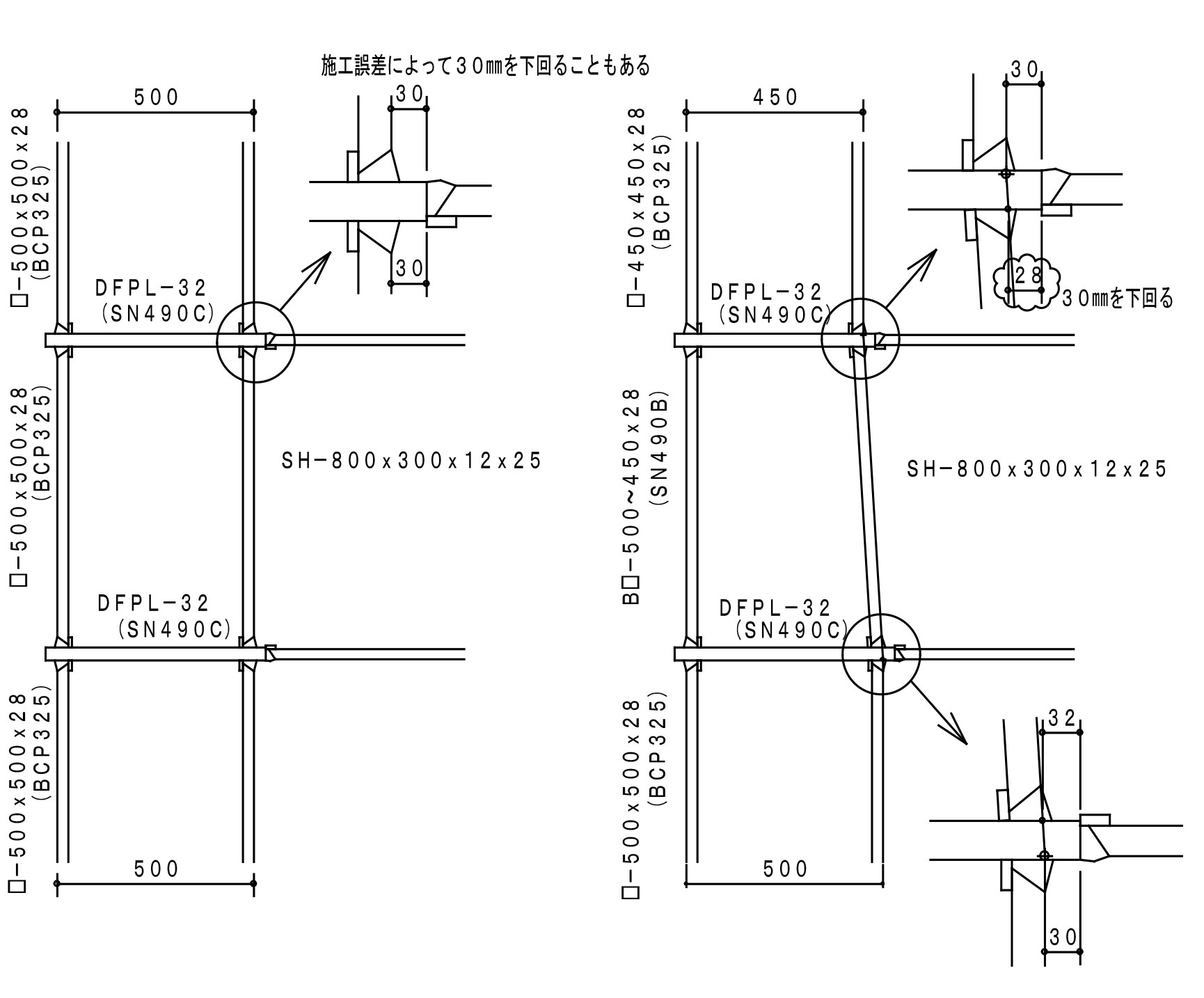
3. 次の1)〜3)を仮定して納まりの検討を行った結果を下図に示します。
1)仕口のずれは無い,通しダイアフラムの切断寸法は指定通りの値
2)仕口上下の柱体と仕口内材は同材から切断し,せいの寸法は指定通りの値で柱心合わせ
3)はりフランジ溶接の最終層は,通しダイアフラムに5mm被せる
通しダイアフラムの開裂防止にはT継手の最小余盛を確保することが必要です。また,T継手溶接と通しダイアフラム+はりフランジの溶接が重ならないことも必要です。
検討図からコラム板厚28mm以上・出寸法30mmに対しては8〜18mm,板厚28mm未満・出寸法25mmに対しては3.5〜13.5mmの余裕があることが分かります。
マニュアルではマイナス側の許容値を具体的に定めていませんが,最終的にT継手の余盛を確保しかつT継手溶接と通しダイアフラム+はりフランジの溶接が重ならなければ,上記寸法内で問題ないと考えます。
<参考・引用文献>
(一社) 日本建築学会 JASS 6 鉄骨工事:2018
監修 独立行政法人 建築研究所 発行 全国官報販売協同組合
2008年版 冷間成形角形鋼管設計・施工マニュアル
監修 国立研究開発法人 発行 一般財団法人 日本建築センター
2018年版 冷間成形角形鋼管設計・施工マニュアル
Supporting Association for Building Steel Structural Technology All Rights Reserved.