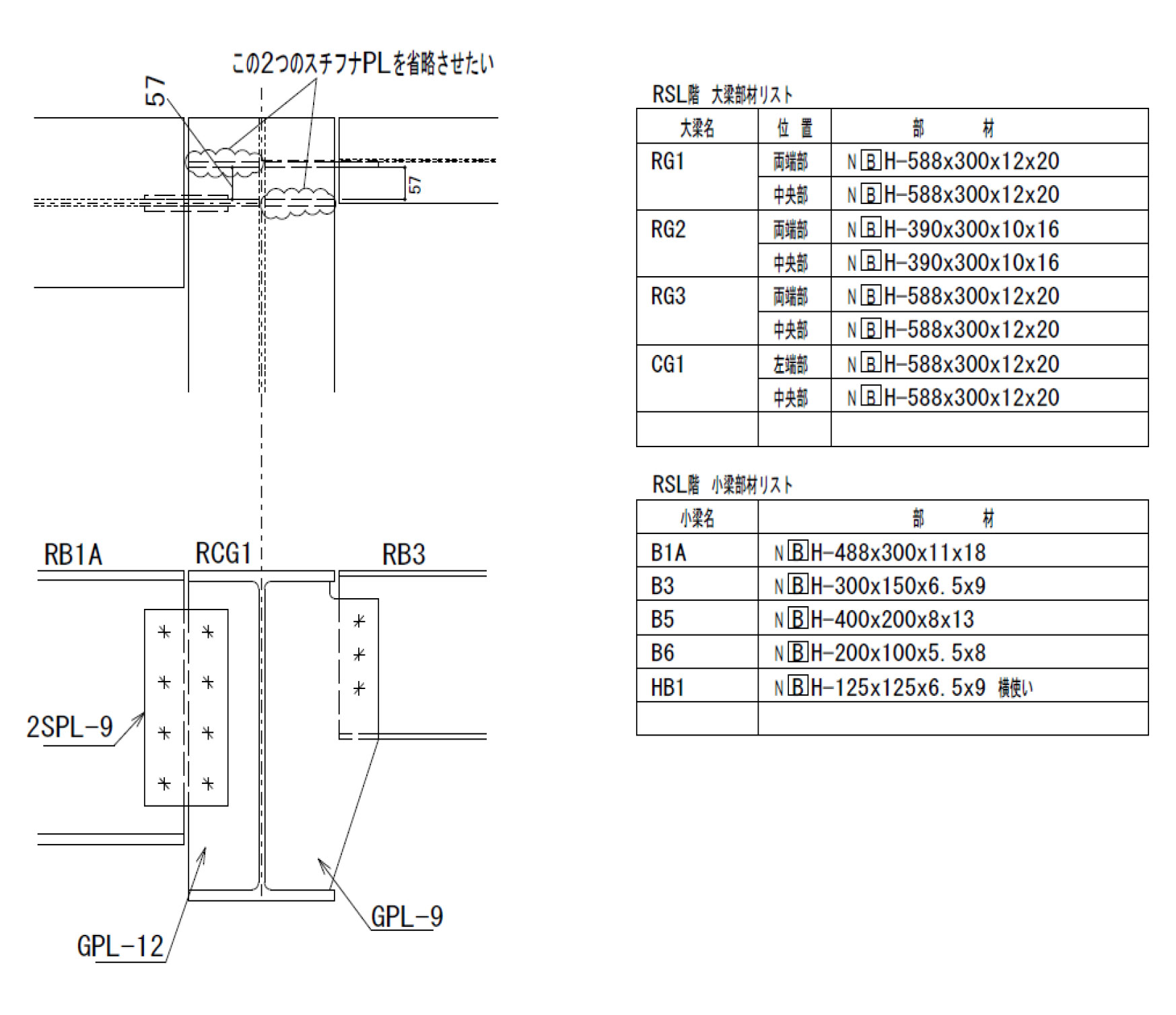
梁や間柱を受けているGPLとスチフナPLの距離が近い場合に関して質問です。
GPLとスチフナPLの距離が近いのでスチフナPLを省略させたい時は,省略が可能な間隔寸法はあるのでしょうか。あまりに近すぎると脚長が確保できないなど溶接施工がうまくいきませんので解決方法を教えて下さい。対象箇所はキャンチの先端です。(赤丸部分)


図のディテールでは完全な溶接施工ができないということを問題としていますが,それよりもRB1AのHTB接合のボルト挿入ができないということのほうが大きな問題でしょう。よって,B3のガセットPLの反対側のスチフナは取り付けることはできません。
スチフナの役割ですが,H形鋼に小梁が片側のみに取り付いた場合にガセットPLの反対側にスチフナを取り付けることが一般的なディテールになっており,これは,小梁からの力を大梁にスムーズに伝達させるため,大梁の断面形状保持の目的が第一です。また,製作時にPLを片側のみに溶接すると溶接ひずみで大梁が変形する可能性があり,それを防止する目的もあります。
ガセットPLの位置の違いが片フランジの1/2程度以下であれば,省略してもよいと考えられます。スチフナを省略できないと判断された場合は,図-1のように必要な間隔をあけて設置する方法や,製作者は板の折曲げを嫌う傾向がありますが,図-2のようにB3のガセットPLを折り曲げて取り付ける方法があります。
図-3は,近接したガセットPLの隅肉溶接を行うのに必要な間隔をもとに定めた例であり,工事ごとの溶接規準により設計者の確認を得るようにするとよいでしょう。

参考に,ガセットPL裏側のスチフナの有無による小梁の耐荷重への影響を実験した結果を示した文献1)においては,大梁と小梁のせいの違いにもよるが,それ程大きな差はないとしています。
<参考文献>
1)清水他,ガセットプレート・スチフナを簡略化した大梁−小梁仕口の力学的性能(その2),建築学会大会 2013.8月 P693,694
Supporting Association for Building Steel Structural Technology All Rights Reserved.